1. 具有高效、低能耗、高產量、經濟合理的優點。
2. 工藝流程簡單,選礦設備成本低,易于操作。
3. 為客戶提供更專業的選廠整體服務,從選礦咨詢、選礦試驗到選廠設計、選礦設備生產,再到選廠設備安裝及調試,實現達標達產,完成金屬、非金屬選礦項目。
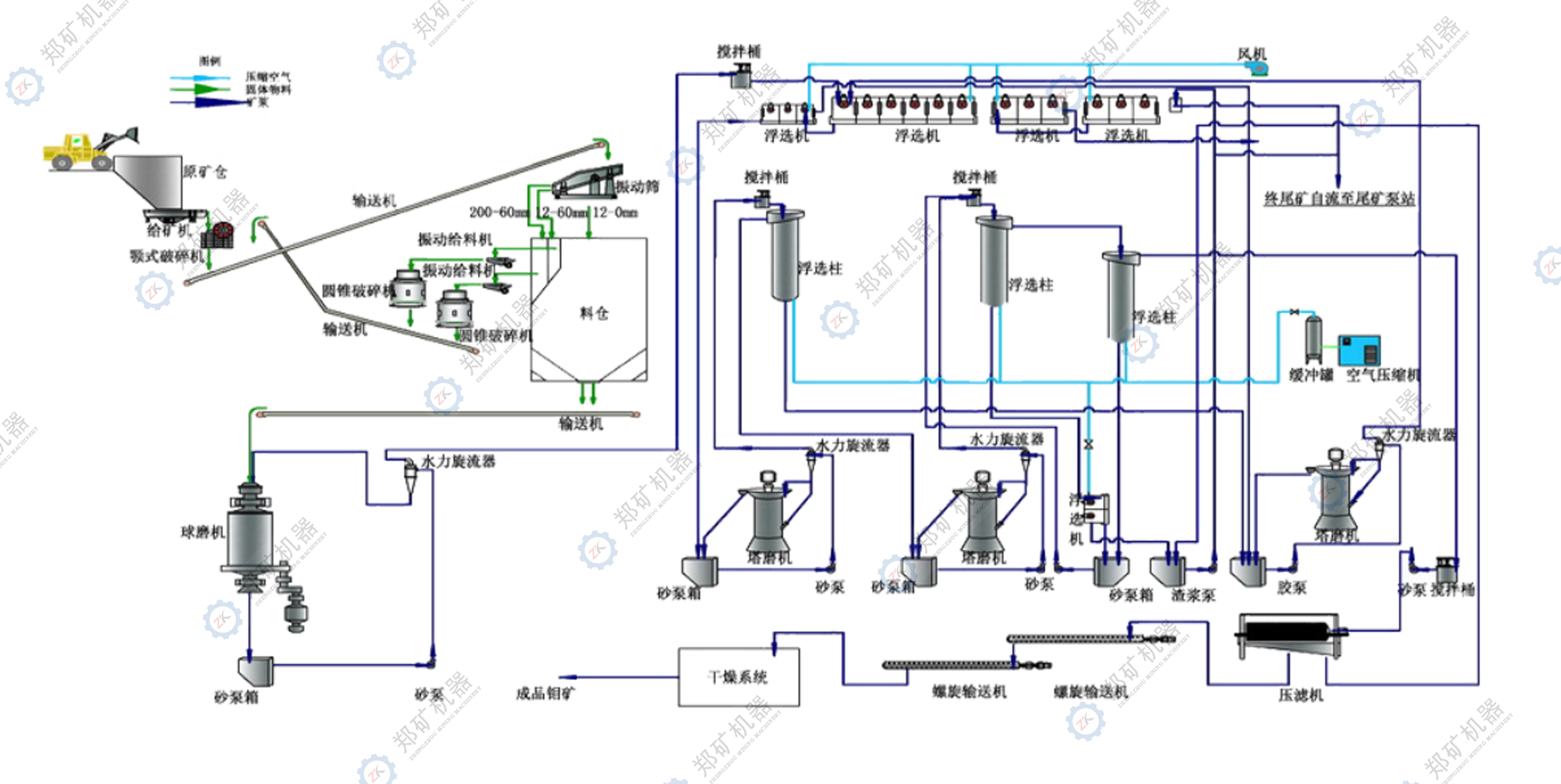
礦石先被送到顎式破碎機進行初次破碎,然后礦石將被送到球磨機進行細破與研磨出合適的尺寸。從球磨機排出的礦石粉末會被送到下一道工序:篩分。由于不同的比重和沉降速度,螺旋分級機可以清潔分組礦石混合物,清潔分組的礦石混合物被送到磁選機,由于不同的磁化系數,在磁力和機械力的作用下,磁性物料將從混合物分離出來,然后混合物被送到浮選機,根據不同礦石的特性,我們在混合物料中增加不同的添加劑來分離我們想從混合物料中得到的礦石。混合物料分離后,我們得到的礦石總是含有大量的水分,我們需要用濃縮機先濃縮再用烘干機烘干,然后可以得到干礦石。

河南鄭礦機器有限公司專注選礦工行業多年,有豐富的磷礦粉制球團經驗,旨在為客戶提供實驗-研發-生產-定制-銷售-安裝-培訓-售后等一體化服務,是礦山行業機械設備的出色供應商!!!
心動不如行動!拿起手機咨詢156-1762-7965,為您提供客制化方案-服務案例-參數報價!